? UMRV / URV系列渦輪減速機之規格、安裝尺寸均與NMRV系列 / NRV系列渦輪減速機完全兼容
? 共有11種尺寸型號,功率可從0.06kw到15kw
? 單段減速比從5到100,可與PC搭配(PC-UMRV系列)或兩臺搭配(UMRV-UMRV系列)以達到更高速比
? 型號025~105以下為鋁合金外殼,型號110~150為鑄鐵外殼
? 鋁合金外殼設計,輕便牢固,能提供靈活多樣的安裝方式
? 重量輕,機械強度高
? 蝸桿材料:熱加工硬化 20Mrcr5 不銹鋼(UNI 8550)
? 蝸輪材料:青銅GCu Sn12(UNI7013-72)
? 全系列外殼均有藍漆粉體塗裝

                
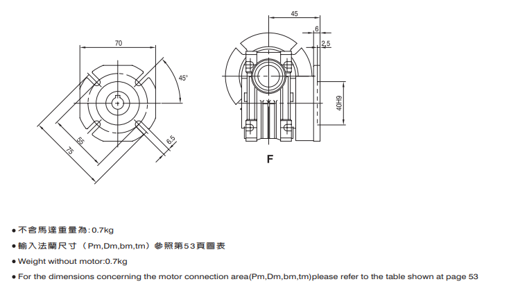
|